

蛇簧聯軸器的結構緊湊、外形尺寸小,工作可靠,適用于連接兩同軸線的中、大功率的傳動軸系。具有補償兩軸相對偏移的減震、緩沖性能。工作溫度為-30℃-+150℃,傳遞公稱轉矩52-931000N.m.一般兩軸相對的許用位移量:軸向為4-20mm;徑向為0.5-3mm;角位移為1°15′。蛇簧聯軸器廣泛應用于各工業領域。
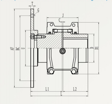
福克T90聯軸器的參數及主要尺寸



公司生產地址:江蘇省鎮江市高新技術開發園區68號
銷售中心地址:江蘇省鎮江丁卯開發區智慧大道668號705室
手機:孫女士 18952800101
QQ:1991897647
電話:0511-85788529
傳真:0511-85019680(自動接收)
企業郵箱:sales@lzqgs.cn
Copyright ? 鎮江海誠機械制造有限公司 版權所有 技術支持:江蘇易潤
專業生產:雨水收集系統 | 彈性聯軸器 | 彈性柱銷聯軸器 | 彈性星型聯軸器 | 梅花形彈性聯軸器 | 中間軸柱銷齒式聯軸器