

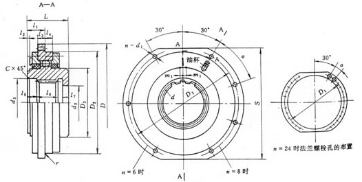
WJ滾子聯軸器 特點及應用場合:適用于起重機、提升機構的減速器與卷筒的聯接及其他類似機構的聯接,可傳遞轉矩及支承徑向載荷,結構緊湊.工作穩定,可靠。
WJ型--內花鍵聯接型;
WJA型--軸孔單鍵聯接型;

WJ球面滾子聯軸器基本參數和主要尺寸(JB/T 7009-93) mm


公司生產地址:江蘇省鎮江市高新技術開發園區68號
銷售中心地址:江蘇省鎮江丁卯開發區智慧大道668號705室
手機:孫女士 18952800101
QQ:1991897647
電話:0511-85788529
傳真:0511-85019680(自動接收)
企業郵箱:sales@lzqgs.cn
Copyright ? 鎮江海誠機械制造有限公司 版權所有 技術支持:江蘇易潤
專業生產:雨水收集系統 | 彈性聯軸器 | 彈性柱銷聯軸器 | 彈性星型聯軸器 | 梅花形彈性聯軸器 | 中間軸柱銷齒式聯軸器